
ATTENTION
- Do not use the unused terminals for other purposes.
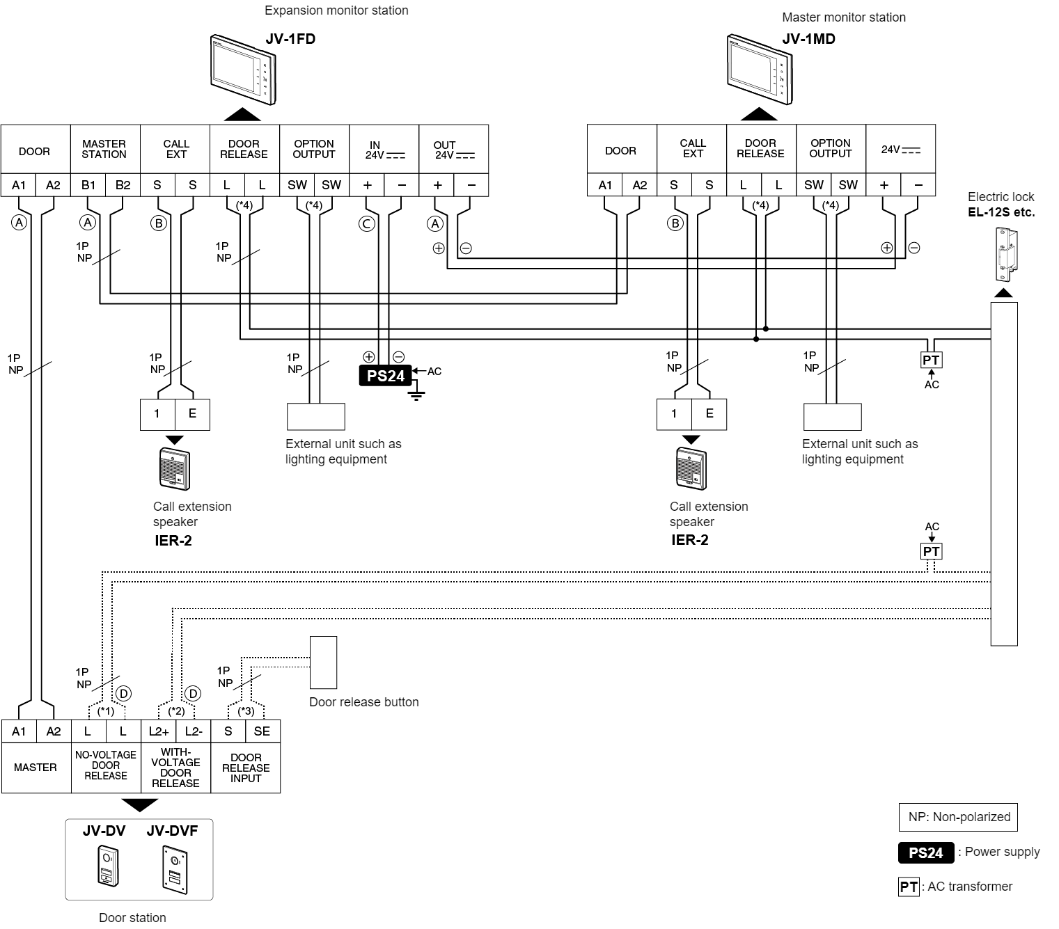
- The wiring between each device should not be in the same sheath wiring. (However, the wirings between the expansion monitor station and the master monitor station, and between the expansion monitor station and 24 V DC +/- can be made in the same sheath. All other wirings should be kept at least 10 cm (3-15/16") away from the A1/A2 and power +/- wirings.)
- Insulate and secure unused low-voltage lines.
- Only connect an electric lock to a single location.
- The external door release button activates only electric lock which is connected to door station.
- Be sure to ground the power supply.
- Wiring connections be made between the door station and the expansion monitor station, and between the expansion monitor station and the master monitor station.
- Be sure to supply power to the master monitor station from a single power supply via the expansion monitor station.
|
NOTE
|
Wiring distance
|
|
PE Φ0.65 mm (22 AWG): 50 m (165') PE Φ0.8-1.2 mm (20-16 AWG): 100 m (330') |
|
|
PE Φ0.65 mm (22 AWG): 50 m (165') PE Φ0.8-1.2 mm (20-16 AWG): 150 m (490') |
|
|
PE Φ0.65 mm (22 AWG): 5 m (16'5") PE Φ0.8 mm (20 AWG): 10 m (33') |
|
|
PE Φ0.65 mm (22 AWG): 15 m (49') PE Φ0.8-1.2 mm (20-16 AWG): 30 m (98'5") |
| Others |
PE Φ0.65-1.2 mm (22-16 AWG) |
NOTE
- The wiring distance between the expansion monitor station and the power supply can be extended up to 25 m (82') by using a PE Φ1.2 mm (16 AWG) cable. However, the maximum distances between the door station and the expansion monitor station, and between the expansion monitor station and the master monitor station will be shortened to 70 m (230') by using a PE Φ0.8-1.2 mm (20-16 AWG) cable.
- When the wet contact output from the door station is 12 VDC, 580 mA (higher than 500 mA, 580 mA or lower), the wiring distances between the door station and the expansion monitor station, and between the master monitor station and the expansion monitor station should be 70 m (230') or shorter by using a PE Φ0.8-1.2 mm (20-16 AWG) cable.
|
(*1): Output specifications
| Output method |
Dry contact (N/O) |
| Contact rating |
24 VDC, 1 A (resistive load) |
(*2): Output specifications
| Output method |
|
| Output current |
500 mA or less |
| Output voltage |
12 VDC |
(*3): Input specifications
| Input method |
Dry contact (N/O) |
| Detection time |
100 msec or more |
| Contact resistance |
300 Ω or less |
| Terminal short-circuit current |
10 mA or less |
| Voltage between terminals |
5 VDC or less (between open terminals) |
(*4): Output specifications
| Output method |
Dry contact (N/O) |
| Contact rating |
24 VDC, 1 A (resistive load) |
